
Co mě vedlo ke stavbě tohoto indikátoru z diskrétních součástek, když na trhu jsou speciální Integrované obvody přímo pro tento účel? Za prvé dostupnost součástek. Tranzistorů má každý jistě plný šuplík, také obchod se součástkami nebývá vždy poblíž a internetový nákup se v malém nevyplatí. Obvod je také do posledního detailu přístupný, což může být pro začátečníka zajímavé
Popis:
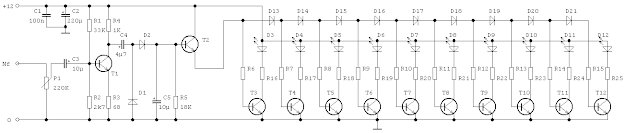
Nf signál se přivádí přes trimr, kterým nastavujeme citlivost celého zařízení, na tranzistor T1 zapojený jako zesilovač. Následuje zdvojovač napětí (Villardovo zapojení) tvořený D1, D2, C4 a C5 a tranzistor T2 sloužící jako oddělovací zesilovač (emitorový sledovač). Tímto zapojením lze indikovat již malé vstupní napětí. Bohužel neznám minimální výstupní napětí zdroje signálu, protože nemám nf milivoltmetr, ale výstup na sluchátka bohatě stačí k vybuzení LED sloupce.
Za stupněm s T2 následuje řetězec komparátorů. Využívá se zde úbytek napětí na diodách D13-D21 (u křemíkových asi 0,6V) v propustném směru. První komparační tranzistor se otevře = dioda zapojená v jeho kolektoru se rozsvítí při vstupním napětí asi 1,2V. Při zvyšování napětí se postupně otvírají tranzistory T3-T12 komparátoru a rozsvěcují další LED diody. Tady je zřejmé, proč je před komparátorem zesilovací obvod a signál se musí značně zesílit. Na posledním tranzistoru musí být téměř 7V pro plné vybuzení. K napájení postačí adaptér 12V.
Indikátor seřídíme tak, že zdroj signálu nastavíme na maximální možnou hlasitost a trimrem na vstupu indikátoru nastavíme zařízení tak, aby právě svítila poslední LED.
Součástky:
Součástky postačí běžné, případně i ze šuplíkových zásob. Tranzistory stačí použít univerzální např. BC 547, BC 238. Tranzistor T2 raději s větším zesílením - BC549C, BC550C. Diody D13-D21 stačí obyčejné hrotové, máme celkem výběr, např. 1N4148, 1N4150, 1N4151, 1N4448. Diody D1, D2 jsou Schottkyho (z důvodu malého úbytku napětí) např. BAT85, BAT43, BAT46, 1N5819, KAS21, KAS22, v nouzi postačí i obyčejné 1N4148. Já jsem použil obstarožní hrotové detekční germaniové diody se zlatým hrotem typu OA5 „ze šuplete“. Kondenzátory na napětí 25V, odpory miniaturní metalizované 0,6W. LED diody podle vašeho vkusu.
Výpis součástek
R1 - 33K
R2 - 2k7
R3 - 68Ω
R4 - 1k
R5 - 18k
R6-R15 - 4k7
R16-R25 - 470Ω
P1 - 220k
C1 - 100n
C2 - 220µ/25V
C3,C5 - 10µ/25V
C4 - 4,7µ/25V
D1,D2 - BAT43, BAT46, BAT85, 1N5819, KAS21, KAS22...
D13-D21 - 1N4148, 1N4150, 1N4151, 1N4448
T1, T3-T12 - BC547B, BC238
T2 - BC549C, BC550C
D3-D12 - LED
Ke konstrukci:
Plošný spoj je jednostranný. Při osazování nezapomeňte zapájet jednu propojku (označeno zeleně na přehledu osazení DPS). Trimr P1 má na DPS navíc jednu pájecí plošku, aby bylo možné použít typy určené pro vertikální i horizontální montáž.
Schéma:
Plošný spoj a osazení součástek


Předlohu plošného spoje si stáhnete kliknutím na obrázek plošného spoje pravým tlačítkem myši a zadáním uložit obrázek. Potom obrázek otevřete v InfranView, stiskněte klávesu I a v nastavení rozlišení (Resolution) vepište do obou kolonek hodnotu 300 a potvrďte tlačítkem OK. Předlohy jsou totiž uložené ve velikosti 300 DPI. Nyní pomocí klávesové zkratky Ctrl+P předlohu vytiskněte.


Komentáře
Okomentovat